

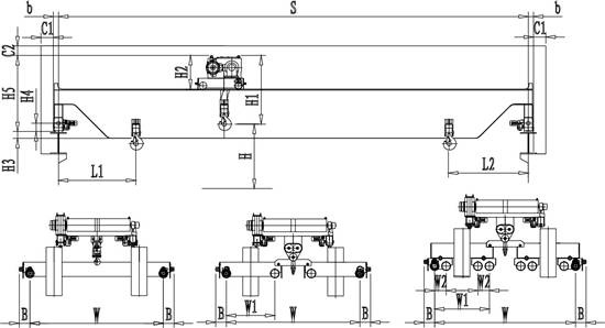
欧式双梁桥式起重机
产品型号: 欧式双梁
起升吨位: 5-32/5吨
起升高度: 26米
适用跨度: 10.5-31米
工作级别: A5、A6
欧式双梁桥式起重机是基于模块化设计理论和现代计算机技术,采用新材料,新技术完成了具有高度共性,智能化和高科技的新型桥式起重机。
欧式双梁桥式起重机与传统起重机相比具有以下优点:
1.高低,重量轻; 小钩限制,工作范围大。
与普通型桥式起重机相比,起重机重量降低了15%?30%,车轮压力降低了15%?30%,起重机高度降低了20?30%,大大降低了工厂的成本。
手推车设计紧凑,可以实现较小的钩钩上,左,右限制,大大增加了吊钩的工作范围。
欧式双梁起重机采用独特的设计理念,具有尺寸小,重量轻,轮压小的特点。
欧式起重机优点:
1、低净空、轮压小、运行平稳 ;
2、定位快捷、操作简单、免维护设计 ;
3、设计合理、使用寿命长;
4、相当、提高生产效率。
Copyright © 2021 河南省大方重型机器有限公司 免责声明 备案号:豫ICP备2022006834号